HOME
PRODUCTS
Gutters
Downspouts
Endcaps
Outlet drops
Mini outlet drops
Ellbows & offsets
Drain screens
Miters
Inline cleanouts
Hangers
Stamped hangers
Brackets & boltscrews
Expansion joints
Couplings
Leaderboxes
Ventpipes
Ornaments
Safety information
Packaging
EXAMPLES
GALLERY
DOWNLOAD
CONTACT / IMPRINT
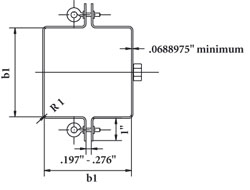
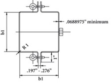
Brackets & boltscrews
43. Bracket, halfround with screw M10
44. Bracket, rectangular with screw M10
45. Boltscrew M10